GEBRUIKERSHANDLEIDING MODEL
E-4600
Villette Le petit Bonheur

Gefeliciteerd met de aankoop van deze elektrische fiets E-bike mod. E-4600. Hij werd met zorg ontworpen en geproduceerd in overeenstemming met de recentste kwaliteitsnormen, waaronder:
EN 15194
Gelieve deze handleiding aandachtig en zorgvuldig te lezen voordat u de fiets gaat gebruiken.
Hij bevat belangrijke informatie over veiligheid en onderhoud.
Het is de verantwoordelijkheid van de eigenaar om deze handleiding te lezen voor gebruik.
Indien een origineel onderdeel binnen de garantieperiode defect blijkt in termen van werking, zullen we het vervangen. De garantieperiode voor de elektrische fietsen is:
Frames en stijve vorken: 5 jaar
Elektrische componenten: 2 jaar met de juiste zorg en onderhoud
Alle andere onderdelen: 2 jaar jaar met de juiste zorg en onderhoud
De batterij is gegarandeerd tegen fabricagefouten gedurende 6 maanden op de verbruiksartikelen (cellen) en 24 maanden op de elektrische onderdelen, zolang de volgende instructies voor gebruik en opslag worden gerespecteerd:
- Verbind de pluspool niet rechtstreeks met de minpool van deze batterij;
- Plaats de batterij niet op een plaats met hoge temperaturen, in een omgeving die is blootgesteld aan direct zonlicht of in de buurt van warmtebronnen;
- Laat de batterij niet achter in een vochtige omgeving of in contact met vloeistoffen;
- Het is verboden om de batterij te openen zonder begeleiding van een bevoegde technicus;
- Bewaar de batterij in een droge en gematigde omgeving. Laad de batterij maandelijks op;
- Laad de accu alleen op met de oplader die bij uw fiets is geleverd.
- Breng uw gebruikte accu terug naar uw dealer.
Geen enkele fiets is onverwoestbaar en er kan geen aanspraak worden gemaakt op schade veroorzaakt door oneigenlijk gebruik, huurgebruik, gebruik bij wedstrijden, voor professioneel gebruik, acrobatiek, sprongen op hellingen, sprongen of soortgelijke activiteiten. Klachten moeten worden ingediend bij de dealer. Uw wettelijke rechten worden niet aangetast.
Het bedrijf behoudt zich het recht voor om details zonder waarschuwing te wijzigen of te corrigeren. Alle informatie en details in deze handleiding zijn gecorrigeerd op het moment van afdrukken.
- Voorwaarden om te fietsen met deze elektrisch ondersteunde fiets
Deze elektrische fiets met trapondersteuning is ontworpen voor gebruik op de weg of verharde ondergrond, waarbij de banden geen contact verliezen met de grond. Hij moet goed worden onderhouden volgens de instructies in deze handleiding.
Het maximumgewicht van de bestuurder en lading van 130 kg mag niet worden overschreden.
Veilig fietsen en veiligheidstips:
Controleer voordat u uw elektrisch trapondersteunde fiets gebruikt altijd of deze in een veilige, werkende staat is. Controleer in het bijzonder of:
- moeren, bouten, quickreleases en onderdelen goed vast zitten en niet versleten of beschadigd zijn
- de rijpositie comfortabel is
- de remmen werken
- het stuur vrij kan bewegen zonder al te veel speling
- de wielen goed draaien en de lagers correct zijn afgesteld
- de wielen stevig vast zitten en vergrendeld zijn op het frame/de vork
- de banden in goeie staat zijn en de juiste spanning hebben
- de pedalen goed vast zitten op de cranks
- de tandwielen juist zijn afgesteld
- alle reflectoren aanwezig zijn
WAARSCHUWING WIELEN: Elke zes maanden zou uw elektrisch trapondersteunde fiets professioneel gecheckt moeten worden om te garanderen dat hij op een correcte en veilige manier functioneert. Het is de verantwoordelijkheid van de gebruiker om te verzekeren dat alle onderdelen correct werken alvorens de fiets te gebruiken. Het is zeer belangrijk om maandelijks de slijtage van de velgen te checken en de slijtagelijn van de velgen in de gaten te houden. Als de groef onzichtbaar wordt, dan is de velg voorbij zijn veilige levensduur. Een ernstig beschadigde velg is zeer gevaarlijk en moet worden vervangen. Zorg ervoor dat er een afstand van 1 tot 1,5 mm is tussen de remschoen en de velg.
BESTEED REGELMATIG AANDACHT AAN DE SPAAKSPANNING VAN DE NAAF.
WAARSCHUWING: U neemt een risico op persoonlijk letsel, schade of verlies indien u de bovenstaande voorwaarden schendt. In die gevallen vervalt de garantie automatisch.
- Naam van de onderdelen van de elektrische fiets met trapondersteuning E-4600

(Fig. 1)
| 1. Band en binnenband2. Velg3. Spaken4. Voorste naaf met quickrelease5. Voorste vork6. Voorste V-brake7. Voorste spatbord8. Stuur en stuurpen9. Bel10. Frame11. Pedaal12. Crankset13. Kettingkast14. Zadelklem15. Zadelpen | 16. ZadelKettingDerailleurbeschermerAchterderailleurAchterste naaf met motorFreewheelFietsstandaardAchterspatbordBagagedragerAccu Handvat, versnelling en remgreepRem-, versnellings- en displaykabels DisplayLaadpoortSlot en sleutel | ||
Instructies
“BUITENGEWONE” ONDERHOUD VAN MECHANISCHE EN ELEKTRISCHE COMPONENTEN MOET WORDEN UITGEVOERD DOOR EEN GEKWALIFICEERD TECHNICUS.
- HANDLEIDING VOOR DE ELEKTRISCHE ONDERDELEN VAN DE FIETS
De bestuurder moet voorwaarts trappen om ondersteuning te krijgen van de motor. Er is een belangrijke veiligheidsvoorziening ingebouwd: deze elektrische fietsen geven ondersteuning tot 25 km/u. Daarna schakelt de motor zichzelf uit. Er kan sneller worden gefietst, maar dan op eigen krachten en zonder elektrische ondersteuning.
Start de fiets door de hoofdschakelaar aan de zijkant van de accu aan te zetten. Het display op het stuur gaat branden. De motor start pas na een / twee volledige omwentelingen van de versnelling. Deze functie beschermt de motor en de controller tegen schade en verlengt de levensduur van de elektrische onderdelen.
Inhoud
- Structuur van een elektrisch ondersteunde fiets
- Belangrijke voorzorgsmaatregelen
- Bediening
- Installatie en gebruik van de accu
- Display en functies
- Gebruik en onderhoud van de accu
- Gebruik en onderhoud van de lader
- Gebruik en onderhoud van de elektrische naafmotor
- Onderhoud van de controller
- Onderhoud van de uitschakelbediening van de remgreep
- Eenvoudige probleemoplossing
- Elektrisch schema en specificaties
- Belangrijkste technische specificaties
1. Structuur van elektrische fietsen (zie deel I. Fig. 1)
2. Belangrijke voorzorgsmaatregelen
- Het dragen van een goedgekeurde helm die voldoet aan de lokale normen is aangeraden.
- Respecteer de plaatselijke wegcode wanneer u op de openbare weg rijdt.
- Wees u bewust van het verkeer.
- De bestuurder moet meer dan 14 jaar oud zijn.
- Laat de fiets alleen onderhouden in erkende fietsenwinkels.
- Regelmatig onderhoud zorgt voor een betere en veilige rijervaring.
- Overschrijd nooit de maximumlading van 130 kg, inclusief bestuurder.
- Laat nooit meer dan één persoon plaatsnemen op de fiets.
- Zorg ervoor dat de fiets regelmatig onderhouden wordt volgens deze handleiding.
- Probeer nooit zelf een van de elektrische onderdelen te openen of te onderhouden. Neem contact op met uw plaatselijke fietsenspecialist voor gekwalificeerd onderhoud indien nodig.
- Spring, race of stunt nooit met deze fiets en behandel hem altijd op de juiste manier.
- Rijd nooit onder de invloed van verdovende middelen of alcohol.
- Het gebruik van fietslichtjes is sterk aangeraden wanneer u in het donker, bij mist of bij slechte zichtbaarheid fietst.
- Maak de fiets schoon door het oppervlak schoon te vegen met een zachte doek. Erg vuile stukken kunt u schoonmaken met een beetje neutrale zeep en water.
WAARSCHUWING: Spuit de fiets nooit rechtstreeks af en zeker niet met een hogedrukreiniger. Voorkom dat er water in een van de elektrische onderdelen komt, want dit kan schade veroorzaken.
3. Bediening
Uw nieuwe elektrisch ondersteunde fiets is een revolutionair transportmiddel met zijn staal frame, li-ion-accu, naafmotor met uitzonderlijk hoog rendement en controller met elektrisch trapondersteuningssysteem om normaal trappen te ondersteunen. De hierboven vermelde uitrusting garandeert een veilige fietservaring met uitstekende prestaties en werking. Het is aan te raden de volgende richtlijnen te respecteren om een optimaal rijplezier te ervaren met uw elektrische fiets.
Checklist voor vertrek
3.1.1 Controleer of de banden voldoende zijn opgepompt, zoals aangeduid op de zijkant van de band.
Houd er rekening mee dat de prestaties van de fiets rechtstreeks beïnvloed worden door het gewicht van de bestuurder en de bagage/lading, samen met de opgeslagen energie in de accu.
3.1.2 Laad de accu de nacht voor gebruik op.
3.1.3 Olie de ketting geregeld en maak hem schoon als er vuil aan hangt of de olie verhard is. Gebruik een ontvettingsmiddel, wrijf de ketting schoon en breng daarna opnieuw olie aan op de ketting
4. Installatie en gebruik van batterijen
Bij de elektrische fietsen is de accu in de bagagedrager geplaatst (de accu wordt direct op de regelkast aan de voorkant aangesloten (afb. 2).
De schuif van de batterij wordt met onderste schroeven op de drager bevestigd (afb. 2.1).
Vervolgens wordt de batterijhouder vergrendeld met de sleutel (Fig. 4.1 & 4.2), zie de bedieningsdetails hieronder.
Plaats eerst de batterijhouder horizontaal langs deze schuifregelaar (zoals in Afb. 3), druk hem er vervolgens in en zorg dat hij goed aansluit. Zorg er ten tweede voor dat de batterij stevig in de controllerbehuizing is gedrukt en dat de connector stevig in de controllerbox is gestoken.
Let op de batterijvergrendeling (Fig.4.1, 4.2)

(Fig. 4.1) (Fig. 4.2)
Draai het vanuit de beginpositie naar rechts volgens de pijlgeleider en vergrendel het vervolgens. Integendeel, je kunt het ontgrendelen.
Batterijlading
Als er binnen het bereik van uw fiets een stopcontact beschikbaar is, kunt u uw fiets rechtstreeks opladen terwijl de accu nog aan de fiets is bevestigd. De oplaadpoort is bedekt met een plastic dop, met een gele pijl voor kennisgeving (Fig. 4.3).
Als u deze opent, laadt u de batterij rechtstreeks op (afb. 4.4).
Het verwijderen van de batterij is handig om op te laden op een locatie waar de fiets mogelijk niet past of wanneer er geen bereikbare wisselstroomvoeding aanwezig is op de plaats waar de fiets geparkeerd staat
Voordat u de batterij uit de fiets verwijdert, moet u de volgende stappen uitvoeren:
* zorg ervoor dat de schakelaar uit staat, de knop keert terug (Fig. 4.5).
* Draai de sleutel naar links om de batterij te ontgrendelen. (zie Afb.4.2)
* Vergeet niet om de sleutel uit te doen en te verzorgen nadat u de batterij uit de drager hebt gehaald !!! Elk exemplaar beschikbaar.
5. DISPLAY LED EN FUNCTIES
5.0 Aan/Uit: Druk op de knop omhet LED-display in en uit te schakelen.
5.1 6 km/h
Druk lang op de knop om de “geassisteerde start” -functie te gebruiken
om de start van de race te vergemakkelijken. (Fig. 5)
5.2 Display op stuurpaneel:
Wanneer het display wordt ingeschakeld in normale omstandigheden, knipperen de vier ledlampjes van laag stroomniveau naar hoog.
Wanneer alle ledlichtjes branden, is de accu volledig opgeladen. Als het laatste lampje knippert, is dat een waarschuwing dat de accu onmiddellijk opgeladen moet worden.
4 ledlampjes branden: ladingsniveau is 100%
3 ledlampjes branden: ladingsniveau is 70%
2 ledlampjes branden: ladingsniveau is 50%
1 ledlampje brandt: ladingsniveau is 25%
1 ledlampje knippert: de accu is bijna leeg en moet onmiddellijk opgeladen worden.
5.3 Selectie ondersteuningsniveau op stuurpaneel:
- Wanneer ingeschakeld, kunt u kiezen tussen 3 ondersteuningsniveaus: laag, gemiddeld en hoog. Druk op de knoppen “+” en “-” om het niveau van trapondersteuning te wijzigen (laag, gemiddeld, hoog). Op deze manier stelt u het ondersteuningsniveau in:
- Bij inschakelen brandt de middelste led, wat betekent dat de gemiddelde trapondersteuning actief is. U kunt op de knoppen “+” en “-” drukken om de trapondersteuning te wijzigen naar hoog of laag.
- Wanneer u het hoogste ondersteuningsniveau kiest, wordt er meer elektrische stroom aangewend en moet er minder hard getrapt worden. Dit niveau is geschikt voor bergop, tegen wind of bij zware lading.
- Bij het middelste ondersteuningsniveau is het niveau van de trapondersteuning en de kracht die uitgevoerd moet worden om te trappen ongeveer gelijk. Dit ondersteuningsniveau is aanbevolen voor fietsen op vlakke wegen.
- Bij het laagste ondersteuningsniveau is het niveau van ondersteuning minder en moet er harder getrapt worden. Dit is bijgevolg een stroombesparend (of zuinig) niveau. Dit niveau is aanbevolen wanneer u de fiets gebruikt voor sportieve ontspanning of om fit te blijven.
- Handelend op de “+” en “-” knoppen is het mogelijk om te profiteren van drie tussenliggende hulpniveaus, die kunnen worden geactiveerd wanneer LOW, MIDDEN en HOOG passeren en de LED’s beginnen te knipperen.
- Het display kan de gebruiker ook waarschuwen door middel van de vier ledlampjes:
- Als de gebruiker de accuschakelaar vergeet uit te zetten na vijf minuten stilstand, beginnen de vier ledlampjes na elkaar te knipperen. Op die manier wordt de gebruiker eraan herinnerd de stroom onmiddellijk uit te schakelen om energie te besparen.
WAARSCHUWING: Zet de accuschakelaar uit wanneer u stopt met fietsen. Dit is erg belangrijk om de opgeslagen energie in de accu niet te verliezen.
6. Gebruik en onderhoud van de accu
Voordelen Li-ion-accu. Deze elektrisch ondersteunde fietsen worden geleverd met li-ion-accu’s van hoge kwaliteit, die niet alleen licht zijn, maar ook milieuvriendelijk. Naast de hierboven vermelde eigenschappen, bieden li-ion-accu’s de volgende voordelen:
- laden zonder geheugeneffect
- grote capaciteit, gering volume en gewicht, hoge stroomproductie, geschikt voor voertuigen die veel stroom vragen
- lange levensduur
- breed temperatuurbereik: -10°C tot +40°C.
Om de levensduur van de accu te verlengen en hem te beschermen tegen schade, is het aangeraden de volgende richtlijnen in acht te nemen:
6.1 Tijdens de reis, wanneer je merkt dat de batterij wordt opgeladen zwak is op het LED-scherm (zie Fig. 6.1), moet u de batterij snel!
6.2 Vergeet niet om de batterij volledig op te laden voordat u een lange reis gaat maken!
Druk op de knop aan het einde van de batterijhouder, wanneer de 4 lampjes allemaal groen van kleur zijn, geeft dit aan dat de batterij vol is.
Let op: het rode lampje (bij aan / uit) betekent dat de batterij snel
moet worden opgeladen. (Fig. 6.2)
6.3 Als de fiets enige tijd niet is gebruikt de batterij moet elke maand volledig worden opgeladen.
WAARSCHUWING:
- De levensduur van de accu kan verminderen na langdurige opslag zonder regelmatig op te laden zoals hierboven beschreven, als gevolg van natuurlijke ontlading.
- Houd nooit een metalen voorwerp rechtstreeks tegen de twee polen van de accu, anders zal de accu beschadigd worden als gevolg van kortsluiting.
- Houd de accu nooit in de buurt van vuur of een warmtebron.
- Voorkom bruusk schudden en stoten en gooi niet met de accu.
- Houd het accupack wanneer hij van de fiets verwijderd is buiten bereik van kinderen om onverwachte ongelukken te voorkomen.
- De accu mag niet uit elkaar worden gehaald.
7. Gebruik en onderhoud van de acculader
Gelieve voordat u de accu oplaadt eerst de handleiding van de fiets en de handleiding van de lader te lezen, indien aanwezig. Neem ook de volgende punten met betrekking tot de acculader in acht.
- Gebruik deze lader niet in de buurt van explosief gas of bijtende stoffen.
- Voorkom bruusk schudden en stoten en gooi niet met de acculader om schade te voorkomen.
- Bescherm de acculader altijd tegen regen en vocht!
- De acculader dient te worden gebruikt bij normale temperaturen: tussen 0°C en +40°C.
- De lader mag niet uit elkaar worden gehaald.
- Gebruik alleen de lader die meegeleverd werd met de elektrische fiets, anders zou de accu beschadigd kunnen worden en vervalt de garantie.
- Tijdens het laden moeten zowel de accu als de lader op een afstand van minimum 10 cm van de muur liggen of anderzijds door ventilatie gekoeld worden. Plaats niets rond de lader wanneer die wordt gebruikt!
Laadprocedure
Laad de fietsaccu volgens de hieronder beschreven procedure:
7.1 De accu kan worden opgeladen zonder dat de schakelaar moet worden aangezet.
7.2 Steek de aansluiting van de lader veilig in de batterij en steek daarna de stekker van de lader in een bereikbaar stopcontact.
7.3 Tijdens het laden brandt een rood ledlampje op de lader, wat betekent dat de accu wordt opgeladen. Wanneer het groen wordt, is de accu volledig opgeladen.
7.4 Haal na het laden eerst de stekker uit het stopcontact en daarna de lader uit de accu. Plaats daarna de dop terug op de aansluiting van het accupack en controleer of de aansluiting goed is afgedekt.
8. Gebruik en onderhoud van de elektrische naafmotor
8.1 Onze intelligente e-bikes zijn zo geprogrammeerd dat de elektrische ondersteuning begint na een volledige omwenteling van het tandwiel.
8.2 Gebruik de fiets niet tijdens overstromingen of onweersbuien. Dompel de elektrische onderdelen niet onder in water. Anders zouden ze beschadigd kunnen worden.
8.3 Vermijd stoten tegen de naafmotor om te voorkomen dat de aluminium behuizing en houder breekt.
8.4 Controleer regelmatig de schroeven aan beide zijden van de naafmotor en zet ze weer vast als ze zelfs maar een beetje los zitten.
- Controleer ook regelmatig de verbindingskabel van de motor.
9. Onderhoud van de controller
Bij onze elektrische fietsen zit de controller meestal in de houder van het accupack.
Het is erg belangrijk goed zorg te dragen voor dit elektrische onderdeel volgens de hierna beschreven richtlijnen:
9.1 Voorkom het binnensijpelen van water en onderdompeling in water, wat schade aan de controller zou kunnen veroorzaken.
Merk op: Als u denkt dat er water in de controller box is gelopen, schakel dan de stroom onmiddellijk uit en fiets verder zonder ondersteuning. Je kunt verder fietsen met elektrische ondersteuning zodra het vocht in de controller is opgedroogd.
9.2 Voorkom bruusk schudden en stoten om schade aan de controller te voorkomen.
9.3 De controller dient de worden gebruikt bij normale temperaturen, gaande van -15°C tot +40°C.
WAARSCHUWING: Open nooit de controllerbox. Elke poging om de controllerbox zelf te openen, bij te stellen of te repareren doet de garantie vervallen. Raadpleeg een plaatselijke verkoper of geautoriseerde specialist om uw fiets te repareren.
10. Onderhoud van de uitschakelbediening van de remgreep*
Dit is een zeer belangrijk onderdeel voor uw veiligheid tijdens het rijden. Bescherm hem te allen tijden tegen schokken en voorkom eventuele schade. Controleer daarnaast regelmatig alle bouten en moeren en zorg ervoor dat ze stevig vastzitten.
11. Eenvoudige probleemoplossing
De onderstaande informatie dient uitsluitend als uitleg, niet als aanbeveling voor de gebruiker om zelf reparaties uit te voeren. Elke voorgestelde oplossing moet worden uitgevoerd door een competent persoon die zich bewust is van de veiligheidsaspecten en voldoende vertrouwd is met elektrisch onderhoud.
| Beschrijving probleem | Mogelijke oorzaken | Oplossing |
| De accu is ingeschakeld, maar de motor genereert geen ondersteuning tijdens het trappen. | 1) De motorkabel (waterdichte aansluiting) zit los; 2) De remgreep is niet helemaal naar de oorspronkelijke stand teruggekeerd, waardoor hij nog in de “uit” stand staat; 3) De zekering van de accu is doorgebrand; 4) De snelheidssensor zit te ver van de magnetische ring op de trapas; 5) De verbinding tussen de sensor en de controller zit los of is niet goed verbonden. | Controleer eerst en vooral of de accu niet leeg is. Indien de accu leeg is, laad hem dan onmiddellijk op. 1) Controleer of de verbinding goed aangesloten is. Indien dat niet het geval is, zorg dat de aansluiting goed vast zit. 2) Zet de remgreep zorgvuldig in de normale stand, zonder te remmen. 3) Open het deksel van het accupack en controleer de zekering. Als die doorgebrand is, neem dan contact op met de verkoper of een geautoriseerd reparateur om een nieuwe zekering te plaatsen. 4) Verminder de afstand tussen de magnetische ring en de sensor, tot de afstand zo’n 3 mm bedraagt. 5) Zorg dat de sensor en de controller goed op elkaar zijn aangesloten. |
| De afstand per lading wordt kort (Opmerking: de prestatie van de fiets wordt rechtstreeks beïnvloed door het gewicht van de bestuurder en de bagage/lading/wind/wegomstandigheden/constant remmen). | 1) De laadtijd volstaat niet; 2) De omgevingstemperatuur is zo laag dat de werking van de accu wordt beïnvloed. 3) Er wordt frequent bergop, tegen de wind in of op slechte wegen gefietst; 4) De bandenspanning is te laag; 5) Er wordt frequent geremd en gestart. 6) De accu is lange tijd niet gebruikt. | 1) Plaats de accu volgens de instructies (Hoofdstuk 7.3; 2) In de winter of bij temperaturen onder 0°C wordt de accu beter binnen bewaard; 3) Alles zal weer normaal zijn zodra de omstandigheden verbeteren; 4) Pomp de banden op tot 45psi; 5) Alles zal weer normaal zijn zodra de omstandigheden verbeteren. 6) Laad de accu regelmatig op volgens de instructies in deze handleiding (zie Hoofdstuk 6.3 ) Als het bovenstaande geen effect heeft, neem dan contact op met uw verkoper of een geautoriseerde dienst. |
| Er gaat geen lampje branden wanneer de accu wordt opgeladen. | 1) Er is een probleem met het stopcontact; 2) Er is een slecht contact tussen de stekker en het stopcontact; 3) De temperatuur is te laag. | 1) Controleer het stopcontact en laat het indien nodig repareren. 2) Controleer of de stekker goed in het stopcontact zit. 3) Laad de accu binnenshuis. Als het bovenstaande geen effect heeft, neem dan contact op met uw verkoper of een geautoriseerde dienst. |
| Na meer dan 4-5 laden is het lampje van de lader nog steeds rood en is de accu nog niet volledig geladen. (Opmerking: het is zeer belangrijk dat de accu wordt opgeladen volgens de instructies in Hoofdstuk 7 om problemen en schade te voorkomen.) | 1) De omgevingstemperatuur is 40°C of meer. 2) De omgevingstemperatuur bedraagt minder dan 0°C. 3) Na het fietsen werd de accu niet opgeladen, waardoor de accu te ver werd ontladen. 4) De uitgangsspanning is te laag om de accu op te laden. | 1) Laad de accu bij een temperatuur van 40°C volgens de instructies onder Hoofdstuk 7; 2) Laad de accu binnenshuis volgens de instructies onder Hoofdstuk 7; 3) Onderhoud de accu volgens de voorschriften onder Hoofdstuk 6.3 om te voorkomen dat hij te ver wordt ontladen; 4) Laad de accu niet op wanneer de spanning lager is dan 100V. Als het bovenstaande geen effect heeft, neem dan contact op met uw verkoper of een geautoriseerde dienst. |
| Er wordt geen snelheid (km) weergegeven op het LCD-display. | Het magnetische balletje aan de wielspaak bevindt zich te ver van de snelheidssensor (bevestigd aan de kettingstang of de voorste vork), waardoor de sensor geen informatie krijgt. | Controleer de afstand tussen het balletje en de snelheidssensor en zorg ervoor dat die maximaal 5 mm bedraagt. |
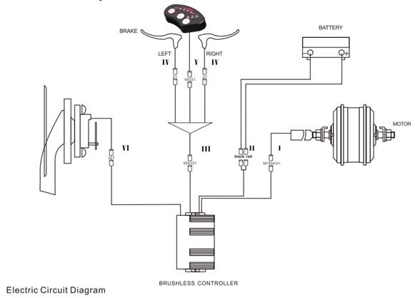
12. Schema en specificaties
Wij behouden ons het recht voor zonder nadere aankondiging aanpassingen te maken aan het product. Neem voor meer advies contact op met uw verkoper.
(Fig. 12)


- Belangrijkste technische specificatiesL
Modelnaam van uw fiets:
| Model | Opmerking (ter referentie) |
| E-TIME CITY 4600RM (28”) | VAE E-4600 |
Enkele algemene technische gegevens voor deze elektrische fiets:
| Maximumsnelheid met elektrische ondersteuning: | 25 km/u ±10% |
| Afstand met volledige lading: | 36 V: 50~60 km (totaal gewicht ≦75 kg) |
| Gewicht van de fiets | 23,8 Kg |
| Waarde overstroombeveiliging: | 13±1 A |
| Waarde onderstroombeveiliging: | 31,5 V ±0,5 V |
Technische gegevens met betrekking tot de fietsmotor:
| Type motor: | Borstelloze motor met stertandwielen met hall-effect |
| Maximaal geluid bij fietsen: | <70 dB |
| Nominaal vermogen: | 200 W |
| Maximaal uitgangsvermogen: | 250 W |
| Nominale spanning: | 36 V |
Technische gegevens met betrekking tot de accu en lader:
| Type accu: | Lithium |
| Spanning: | 36 V |
| Capaciteit: | 13 Ah |
Veiligheidswaarschuwingen
Afvoer van elektrisch-elektronische apparaten:
dit symbool geeft aan dat het product niet mag worden verwijderd als niet-geselecteerd afval, maar moet worden verzonden naar afzonderlijke inzamelingsinrichtingen voor terugwinning en correcte recycling, ter ondersteuning van de verwijdering van materialen en om mogelijke negatieve gevolgen voor het milieu en de gezondheid te helpen voorkomen algemeen.
De WEEE-markering moet voorkomen op alle elektrische en elektronische apparatuur die op de EU-markt wordt gebracht. Raadpleeg voor alle aanvullende informatie over recycling en verwijdering uw gemeente, specifieke structuur of geautoriseerde dealer. Deze behandeling is van toepassing op alle landen die tot de Europese Unie behoren.
Het is essentieel om gebruikte batterijen op de juiste plaats op te bergen om een correcte verwijdering te garanderen en het milieu te respectere
EG-VERKLARING VAN OVEREENSTEMMING CE
Naam van het bedrijf DENVER S.R.L
Adres VIA PRIMO MAGGIO, N. 32 12025 DRONERO (CN) ITALIA
Verklaart de bevoegde persoon die het technisch dossier heeft opgesteld.
Verklaart dat het hieronder beschreven product:
Handelsnaam: E-4600RM
Code model: 22219
Typologie: fiets met elektrische hulp
Mark: E-4600RM Villette Le petit Bonheur
Functie: beweeg met elektrische trapondersteuning
Productbeschrijving: fiets met elektrische hulp
Achterwiel motor: 250W max.
Batterij: Lithium 36V-13 Ah
Controle: monitor LED
Sensor: snelheidssensor
Het voldoet aan de bepalingen van de: Europese richtlijn 2006/42/CE betreffende machines
en de essentiële gezondheids- en veiligheidseisen van de richtlijn.
Evenals de volgende regels: Stadsfiets EN 15194 EPAC
De fiets voldoet aan de vereisten van de richtlijn voor elektromagnetische compatibiliteit (EMC).
ERKLÄRUNG DER CE-KONFORMITÄT
Firmenname DENVER S.R.L
Adresse VIA PRIMO MAGGIO, N. 32 12025 DRONERO (CN) ITALIA
Erklärung, die autorisierte Person zu sein, die die technische Datei erstellt hat.
Erklärt, dass das unten beschriebene Produkt:
Handelsname: E-4600RM
modellcode: 22219
Art: fahrrad auf elektrischen Unterstützung
Marke: E-4600RM Villette Le petit Bonheur
Funktionen: bewegung mit elektrischem Pedalieren
Produktbeschreibung: fahrrad zur elektrischen Unterstützung
Hinterradmotor: 250W max.
Batterie: 36V-13 Ah Lithium
Befehl: monitor LED
Sensor: geschwindigkeitssensor
Es entspricht den Bestimmungen von: Europäische Richtlinie 2006/42/CE über Maschinen
und zu den grundlegenden Gesundheits- und Sicherheitsanforderungen der Richtlinie.
Zusätzlich zu den folgenden Regeln: Stadtrad EN 15194 EPAC
Das Fahrrad entspricht den Anforderungen der Richtlinie zur elektromagnetischen Verträglichkeit (EMV).
DECLARATON OF CONFORMITY
Company name DENVER S.R.L
Adress VIA PRIMO MAGGIO, N. 32 12025 DRONERO (CN) ITALIA
Declaration to be the authorized person who created the technical file.
Explains the product described below:
Trade name: E-4600RM
Model code: 22219
Type: bicycle to electric assistance
Brand: E-4600RM Villette Le petit Bonheur
Functions: movement with electric pedaling
Product description: bicycle for electrical assistance
Rear wheel motor: 250W max.
Battery: 36V-13 Ah lithium
Command: monitor LED
Sensor: speed sensor
It complies with the provisions of: European Directive 2006/42/CE on machinery
and the basic health and safety requirements of the Directive.
In addition to the following rules: Citybike EN 15194 EPAC
The bike meets the requirements of the Electromagnetic Compatibility (EMC) directive.
Declaration of Identity
WE, MANUFACTURER/EXPORTER DENVER S.R.L. VIA PRIMO MAGGIO, N. 32 12025 DRONERO (CN) ITALIA
DECLARE THAT THE FOLLOWING DESIGNATED PRODUCT:
E-4600
IS EXACTLY THE SAME TO THE ONE THAT BSN IS SELLING UNDER THE BRAND MODEL “Villette Le petit Bonheur”
Identitätserklärung
WIR, HERSTELLER / EXPORTEUR DENVER S.R.L. VIA PRIMO MAGGIO, N. 32 12025 DRONERO (CN) ITALIA
ERKLÄREN, DASS DAS FOLGENDE DESIGNIERTE PRODUKT:
E-4600
IST GENAU DER GLEICHEN, DIE BSN UNTER DEM BRAND MODELL VERKAUFT ““Villette Le petit Bonheur”
Verklaring van identiteit
VS, LEVERANCIER / EXPORTEUR, DENVER S.R.L. VIA PRIMO MAGGIO, N. 32 12025 DRONERO (CN) ITALIA
WIJ VERKLAREN DAT HET VOLGENDE ONTWORPEN PRODUCT:
E-4600
HET IS PRECIES DEZELFDE VAN WAT BSN VERKOOPT ONDER HET MERKMODEL “Villette Le petit Bonheur”
PERSONNE AUTORISÉE SIGNANT L’ENTREPRISE / AUTHORIZED PERSON SIGNING FOR THE COMPANY / AUTORISIERTE PERSON, DIE FÜR DAS UNTERNEHMEN UNTERZEICHNET / PERSONA AUTORIZZATA ALLA FIRMA / GEMACHTIGDE DIE VOOR HET BEDRIJF ONDERTEKEND / PERSONA AUTORIZADA A LA FIRMA:
DRONERO 01 Ottobre 2022
Giulio Mengoli
CEO
LIISTR274

