- Deze gids is bedoeld om u de informatie te geven die nodig is voor het juiste gebruik, de afstelling en het onderhoud van uw fiets.
- Lees deze handleiding voor het eerste gebruik aandachtig door en bewaar hem zolang u de fiets gebruikt. Bevat belangrijke veiligheids- en onderhoudsinformatie.
- Het is de verantwoordelijkheid van de gebruiker om deze handleiding te lezen alvorens het product te gebruiken.
- Het niet opvolgen van deze instructies kan leiden tot onjuist gebruik van de fiets of voortijdige slijtage van sommige onderdelen, wat kan leiden tot een val en/of een ongeval.
- Als een origineel onderdeel tijdens de garantieperiode een fabricagefout blijkt te vertonen, zullen we het vervangen. De garantieperiode voor fietsen met trapondersteuning is als volgt:
- • Frame en vorken: 5 jaar
- • Elektrische componenten: 2 jaar met de juiste zorg en onderhoud
- • Elk ander onderdeel: 2 jaar met de juiste zorg en onderhoud
- Wat betreft de batterij, deze heeft een garantie van 6 maanden op verbruiksonderdelen (cellen) en 24 maanden op elektrische onderdelen tegen fabricagefouten, op voorwaarde dat de volgende instructies voor gebruik en opslag worden gevolgd:
- ü Sluit de positieve en negatieve pool van deze batterij niet rechtstreeks aan;
- ü Plaats de batterij niet in een ruimte met hoge temperaturen, verwarm hem niet, stel hem niet bloot aan de zon, breng hem niet in de buurt van vuur enzovoort;
- ü Dompel de batterij niet onder in water, zout, zuur of alkalische vloeistoffen en voorkom dat u in de regen terechtkomt;
- ü Haal de accu niet uit elkaar zonder begeleiding van een professionele technicus;
- ü Bewaar de batterij in een schaduwrijke, koele en droge staat wanneer deze lange tijd niet wordt gebruikt en laad de batterij elke maand volledig op;
- ü Laad deze batterij op met de exclusieve oplader die bij de fiets wordt geleverd;
- ü Lever de gebruikte batterij in bij uw dealer.
- Deze garantie is exclusief arbeids- en transportkosten. Het bedrijf aanvaardt geen aansprakelijkheid voor gevolgschade of speciale schade. Deze garantie is alleen van toepassing op de oorspronkelijke koper die een aankoopbewijs moet hebben om een claim te onderbouwen. Deze garantie is alleen van toepassing op defecte onderdelen en dekt niet de effecten van normale slijtage, huurgebruik, professioneel gebruik, schade veroorzaakt door een ongeluk, misbruik, overmatige belasting, verwaarlozing, onjuiste montage, onjuist onderhoud of de toevoeging van een artikel niet in overeenstemming is met het oorspronkelijk beoogde gebruik van de fiets.
- Geen enkele fiets is bedoeld om eeuwig mee te gaan en er wordt geen claim geaccepteerd als deze is gebaseerd op schade veroorzaakt door verkeerd gebruik, racen, stunten, springen of enige andere soortgelijke activiteit. Claims moeten via de dealer worden ingediend. Uw rechten worden niet aangetast.
- Het bedrijf behoudt zich het recht voor om specificaties zonder voorafgaande kennisgeving te wijzigen of aan te passen. Alle informatie en specificaties in dit document zijn correct op het moment van ter perse gaan
- Het is verboden de bij de fiets geleverde handleiding te wijzigen of eraan te knoeien.
- De fiets is gecertificeerd volgens de geldende wettelijke normen.
- Het is ten strengste verboden om de parameters en specificaties van de gemonteerde elektrische/mechanische componenten en de standaardfuncties van de fiets te wijzigen aangezien dit de goede werking van het voertuig en de veiligheid van de gebruiker zelf in gevaar zou brengen.
- In het geval dat dit gebeurt, bent u volledig aansprakelijk voor alle gerelateerde schade.
- Gebruiksvoorwaarden voor deze elektrische fiets
- Opbouw van de elektrische fiets
- Onderhoud
- Ondersteuning van het trappen en batterij
- Accu
- DIENST NA VERKOOP

Deze gids is bedoeld om u de informatie te geven die nodig is voor het juiste gebruik, de afstelling en het onderhoud van uw fiets. #
Lees deze handleiding voor het eerste gebruik aandachtig door en bewaar hem zolang u de fiets gebruikt. Bevat belangrijke veiligheids- en onderhoudsinformatie. #
Het is de verantwoordelijkheid van de gebruiker om deze handleiding te lezen alvorens het product te gebruiken. #
Het niet opvolgen van deze instructies kan leiden tot onjuist gebruik van de fiets of voortijdige slijtage van sommige onderdelen, wat kan leiden tot een val en/of een ongeval. #
Als een origineel onderdeel tijdens de garantieperiode een fabricagefout blijkt te vertonen, zullen we het vervangen. De garantieperiode voor fietsen met trapondersteuning is als volgt: #
• Frame en vorken: 5 jaar #
• Elektrische componenten: 2 jaar met de juiste zorg en onderhoud #
• Elk ander onderdeel: 2 jaar met de juiste zorg en onderhoud #
Wat betreft de batterij, deze heeft een garantie van 6 maanden op verbruiksonderdelen (cellen) en 24 maanden op elektrische onderdelen tegen fabricagefouten, op voorwaarde dat de volgende instructies voor gebruik en opslag worden gevolgd: #
ü Sluit de positieve en negatieve pool van deze batterij niet rechtstreeks aan; #
ü Plaats de batterij niet in een ruimte met hoge temperaturen, verwarm hem niet, stel hem niet bloot aan de zon, breng hem niet in de buurt van vuur enzovoort; #
ü Dompel de batterij niet onder in water, zout, zuur of alkalische vloeistoffen en voorkom dat u in de regen terechtkomt; #
ü Haal de accu niet uit elkaar zonder begeleiding van een professionele technicus; #
ü Bewaar de batterij in een schaduwrijke, koele en droge staat wanneer deze lange tijd niet wordt gebruikt en laad de batterij elke maand volledig op; #
ü Laad deze batterij op met de exclusieve oplader die bij de fiets wordt geleverd; #
ü Lever de gebruikte batterij in bij uw dealer. #
Deze garantie is exclusief arbeids- en transportkosten. Het bedrijf aanvaardt geen aansprakelijkheid voor gevolgschade of speciale schade. Deze garantie is alleen van toepassing op de oorspronkelijke koper die een aankoopbewijs moet hebben om een claim te onderbouwen. Deze garantie is alleen van toepassing op defecte onderdelen en dekt niet de effecten van normale slijtage, huurgebruik, professioneel gebruik, schade veroorzaakt door een ongeluk, misbruik, overmatige belasting, verwaarlozing, onjuiste montage, onjuist onderhoud of de toevoeging van een artikel niet in overeenstemming is met het oorspronkelijk beoogde gebruik van de fiets. #
#
#
Geen enkele fiets is bedoeld om eeuwig mee te gaan en er wordt geen claim geaccepteerd als deze is gebaseerd op schade veroorzaakt door verkeerd gebruik, racen, stunten, springen of enige andere soortgelijke activiteit. Claims moeten via de dealer worden ingediend. Uw rechten worden niet aangetast. #
Het bedrijf behoudt zich het recht voor om specificaties zonder voorafgaande kennisgeving te wijzigen of aan te passen. Alle informatie en specificaties in dit document zijn correct op het moment van ter perse gaan #
#
Het is verboden de bij de fiets geleverde handleiding te wijzigen of eraan te knoeien. #
De fiets is gecertificeerd volgens de geldende wettelijke normen. #
Het is ten strengste verboden om de parameters en specificaties van de gemonteerde elektrische/mechanische componenten en de standaardfuncties van de fiets te wijzigen aangezien dit de goede werking van het voertuig en de veiligheid van de gebruiker zelf in gevaar zou brengen. #
In het geval dat dit gebeurt, bent u volledig aansprakelijk voor alle gerelateerde schade. #
#
#
Gebruiksvoorwaarden voor deze elektrische fiets #
Deze fiets is uitgerust met een elektromotor die de gebruiker HELPT met extra voortstuwingsvermogen en de inspanning van de rijder vermindert. Het is echter alleen een TRAPHULP die het trappen niet vervangt. Om verder te komen, moet je in elk geval trappen, met of zonder elektrische ondersteuning.
Deze elektrische fiets is bedoeld voor gebruik in stedelijke gebieden, hij wordt gebruikt om zich te verplaatsen op wegen en andere verharde ondergronden waar beide banden constant contact maken met de grond. Hij heeft een elektrische hulpmotor die je ondersteunt tijdens je dagelijkse ritten, zodat je steeds langere afstanden kunt afleggen. Je elektrische fiets is een model voor volwassenen, dat wil zeggen, het is bedoeld voor personen ouder dan 14 jaar. Als de fiets door een kind wordt gebruikt, zijn de ouders verantwoordelijk om ervoor te zorgen dat de gebruiker de fiets onder veilige omstandigheden kan gebruiken.
Je fiets is niet bedoeld voor gebruik op een onverharde of onverharde ondergrond. Het is niet bedoeld voor “off-road rijden” of wedstrijden. Onjuist gebruik kan leiden tot vallen of ongelukken, wat voortijdige en mogelijk onherstelbare schade aan uw elektrische fiets veroorzaakt. Je elektrische fiets is geen brommer. De hulpmotor is ontworpen om je te helpen bij het trappen. Zodra je begint te trappen, start het en vult het de kracht aan die je hebt uitgeoefend. Het is echter alleen een TRAPHULP die het trappen niet vervangt. Om verder te komen, moet je in elk geval trappen, met of zonder elektrische ondersteuning.
De ondersteuning varieert afhankelijk van de snelheid van de fiets; deze is het sterkst bij het begin, neemt af bij acceleratie en eindigt zodra 25 km/u is bereikt. De hulpmotor wordt uitgeschakeld zodra een van de twee remhendels wordt bediend of de snelheid boven de 25 km/u uitkomt. Onder 23 km/u wordt het trappen dan automatisch weer ondersteund.
De fiets moet correct worden onderhouden volgens de instructies in deze handleiding.
| WAARSCHUWING: Zoals alle mechanische componenten is een elektrisch ondersteunde tweewieler blootgesteld aan hoge belasting en slijt dienovereenkomstig. De verschillende onderdelen en materialen kunnen verschillend reageren op slijtage en vermoeidheid. Als een onderdeel de beoogde levensduur overschrijdt, kan het plotseling breken en de bestuurder verwonden. Scheuren, krassen en verkleuringen in gebieden met veel slijtage geven aan dat de levensduur van het onderdeel is overschreden en dat het vervangen moet worden. |
Aanbeveling: voor gebruik onder veilige omstandigheden:
Controleer voordat je je elektrische fiets gebruikt of deze volledig functioneert. Controleer in het bijzonder de volgende punten:
• Is de zitpositie comfortabel?
• Zijn de moeren, bouten, spanhendels en andere componenten correct aangedraaid?
• Werken de remmen nog goed?
• Is het stuur makkelijk te bewegen en heeft het niet te veel speling? Zit het stuur goed vast aan de stuurpen? • Kunnen de wielen vrij draaien en zijn de wiellagers correct afgesteld?
• Zijn de wielen goed aangedraaid en bevestigd aan het frame/de vork?
• Zijn de banden in goede staat en hebben ze de juiste druk?
• Zijn de velgen in goede staat?
• Zitten de pedalen stevig verbonden met de crank?
• Zitten de reflectoren op de juiste positie?
| AANBEVELING: Uw elektrische fiets moet elke 6 maanden door een specialist worden gecontroleerd op functionaliteit en veilige gebruiksvriendelijkheid. De gebruiker is verantwoordelijk voor het waarborgen dat alle onderdelen volledig functioneel zijn vóór gebruik. |
Kies een veilige plek weg van het verkeer om vertrouwd te raken met je nieuwe fiets. De hulpmotor kan krachtig starten; Zorg dat je stuur recht is en het pad vrij is.
Zorg dat je fit en comfortabel bent voordat je op je fiets stapt. Bij speciale weersomstandigheden (regen, kou, duisternis …) wees extra oplettend en pas je snelheid en reacties daarop aan.
Wanneer je de fiets aan de buitenzijde van een auto vervoert (fietsendrager, dakrails, enz.), wordt sterk aanbevolen om de accu te verwijderen en op een koele plek te bewaren.
De gebruiker moet voldoen aan de geldende regelgeving in zijn of haar land bij het gebruik van de fiets op openbare wegen (bijvoorbeeld verlichting en verkeerslichten). De fabrikant en de verkoper aanvaardt geen aansprakelijkheid als de gebruiker van de fiets niet voldoet aan de geldende regelgeving.
| WAARSCHUWING: U erkent dat u verantwoordelijk bent voor elk verlies, letsel of schade veroorzaakt door het niet volgen van de bovenstaande instructies, in welk geval de garantie ongeldig wordt. |
#
Opbouw van de elektrische fiets #

| 1. Banden en binnenband2. Cirkel3. Stralen4. Voorrem5. Vork6. Voorspatbord7. Kabels8. Kader9. Buig en kolom10. Remhendels | |||
| 11. Achterrem12. Zadelkraag13. Zadel en bijboot14. Beheerders15. Batterij16. Achterrek17. Achterspatbord18. Pedalen19. Crankstel en crankstel20. Motor | |||
Eerste rit/Instellingen
Het vouwen en uitvouwen van de stuurpen, het frame en de pedalen
Opvouwbaar frame: Om ruimte te besparen bij het opbergen of vervoeren ervan in een voertuig, kan je e-bike tot de helft van zijn formaat worden opgevouwen. Om te vouwen, maak je simpelweg de snelontgrendeling in het midden van het frame los en druk je dan tegen het voorste deel van de fiets, waarbij je het achterste deel op zijn plaats houdt (zie hieronder voor het vergrendelen/ontgrendelen van het snelontgrendelingssysteem). Let op: Controleer altijd of het vergrendelingssysteem na het uitklappen van de fiets en voordat je ermee gaat goed en stevig vergrendeld is en dat de kabels er niet tussen klemmen.
Opvouwbare pedalen: Om de fiets ruimtebesparend te kunnen opvouwen. Om de pedalen te vouwen of uit te vouwen, plaats je een vinger in het midden van het pedaal en duw je de grendel naar buiten. Het pedaal is ontgrendeld en kan worden in- of uitgevouwen door omhoog of omlaag te trekken.
Let op: Controleer na het monteren van het pedaal en voordat je op de fiets gaat altijd of het vergrendelingssysteem stevig vergrendeld is.
Snelspansysteem #
| Afb. 1: Gesloten positie | Afb. 2: Geopende positie |
| 1: Hendel 2: Verstelmoer 3: Scharnierpen | |
LET OP: De snelontgrendelingen zijn ontworpen om met de hand bediend te worden. Gebruik nooit gereedschap om het mechanisme te vergrendelen of te ontgrendelen zodat het niet beschadigd raakt. Om de klemkracht aan te passen, gebruik de verstelmoer (Fig. 1-2) tegenover de hendel (Fig. 1-1), draai de snel-ontgrendeling niet. Om het systeem te vergrendelen of te ontgrendelen, opent u de snelontgrendelingshendel (fig. 1-1) en draait u handmatig aan de moer tegenover de spanningsschroef (fig. 1-2) om het systeem te ontgrendelen. Draai vervolgens de hendel om de spanningsschroef uit de retentieschoen te krijgen (zie fig. 2). Druk op de scharnierpenknop (zie fig. 1-3) bovenop de retentieschoen en trek de hendel omhoog om het vouwmechanisme te ontgrendelen. Trek dan aan het voorste deel van het frame om de fiets op te vouwen.
Om de fiets op te vouwen, trek je het voorste deel van het frame terug in de retaining shoe totdat de ontgrendelingsknop in de opening klikt. Draai aan de spanningsschroef om hem terug in de inkeping van de retainingschoen te brengen. Draai de verstelmoer met de hand om de schroef aan te draaien, en vouw dan de hendel terug. Let op: Zorg ervoor dat het apparaat goed vastzit voordat je de fiets gebruikt.
ls de hendel met minimale handmatige druk kan worden bediend, wordt hij niet voldoende aangedraaid. De verstelmoer moet vervolgens zonder gereedschap worden aangedraaid.
Het zadel afstellen met de snelontgrendelingsklem

LET OP: De snelontgrendelingen zijn ontworpen om met de hand bediend te worden. Gebruik nooit gereedschap om het mechanisme te vergrendelen of te ontgrendelen zodat het niet beschadigd raakt. Om de klemkracht aan te passen, gebruik de verstelmoer (2) tegenover de hendel (1), draai niet aan de snellosmaakhendel. Om het systeem te vergrendelen of te ontgrendelen, open je de verstelhendel (1) en draai je met de hand aan de verstelmoer (2) om de klem los te maken.
Om het vast te draaien, draai je de verstelmoer met de hand om de klem aan te draaien, en vouw je de hendel dan terug. Let op: Zorg ervoor dat de klem goed vastzit voordat je de fiets gebruikt. Als de hendel met minimale handmatige druk kan worden bediend, wordt hij niet voldoende aangedraaid. De verstelmoer moet vervolgens zonder gereedschap worden aangedraaid.
- Als je het zadel op de laagste stand zet, zorg er dan voor dat het geen enkel deel van de fiets raakt, zoals de drager. Wees ook voorzichtig dat je de minimale inzetdiepte van de zitbuis niet overschrijdt. Deze schuifmarkering mag nooit zichtbaar zijn bij gebruik van de fiets.

- Om de juiste zadelhoogte te bepalen, ga je op het zadel zitten met je benen uitgestrekt, met je hiel rustend op het pedaal (Fig. B). Bij het trappen moet de knie licht gebogen zijn wanneer de voet in de lagere positie is (Fig. A).
| VOORZICHTIG: Als een kinderzitje wordt gebruikt bij een zadel met spiraalveren, is het essentieel om de veren af te dekken zodat kinderen niet in hun vingers knijpen. |
Het stuur afstellen met de spanninghendel
Met het stuur van je fiets kunnen zowel de hoogte als de inclinatie worden aangepast. Stuurpen met spanningshevel: Je fiets is uitgerust met een zogenaamde “schachtstuurpen” (8), de hoogte wordt aangepast door de inzetdiepte van de stuurpen in de roterende buis van het frame te veranderen. Om de stuurhoogte aan te passen, laat je de spanninghendel (27) los en hef of verlaag je de stuurpen tot de gewenste hoogte.
Wees voorzichtig dat je de insetgrens nooit overschrijdt. Deze schuifmarkering mag nooit zichtbaar zijn bij gebruik van de fiets. Draai de hendel vast en zorg dat de steel in de juiste positie zit.
Let op, het handvat van de klemhendel moet altijd zo worden gedraaid dat het geen gevaar vormt voor de gebruiker. Om de kanteling van het stuur aan te passen, draai je de 8 mm moer aan de voorkant van het stuur los met een 13 mm platte sleutel, stel je de kanteling aan en draai je hem weer vast. Zorg ervoor dat het stuur niet beweegt.
Batterij opladen
Lees voor het hanteren van de accu de secties “Accu” en “Oplader” in deze handleiding om schade te voorkomen. Voordat je de elektrische trapondersteuning kunt gebruiken, moet je de accu van de fiets opladen. Hiervoor sluit je de opladerstekker aan op een 220 V stopcontact en sluit je de laadkabel aan op het accucontact, dat zich aan de achterkant van de fiets onder het bagagerek onder een beschermflap bevindt. De laadindicator bovenop de batterij toont het laadniveau, druk op de knop op de indicator om deze te activeren. Na het opladen bevestig je de flap weer aan de laadaansluiting.
Gebruik van veiligheidsvoorzieningen
Verlichting
Je ebike is uitgerust met verlichting bestaande uit twee koplampen (één wit licht voor en één rood licht op de achterdrager) en twee oranje reflectoren (tussen de spaken van de wielen). De verlichting is voor de veiligheid en moet op je fiets aanwezig zijn. Voordat je aan je reis begint, zorg ervoor dat je lampen goed werken.
- Witte koplamp voorin met batterijwerking: De koplamp is aan de voorkant van de motor bevestigd. Om de koplamp aan of uit te zetten, beweeg je de schakelaar bovenop. De koplamp wordt aangedreven door twee muntcelbatterijen. Om de batterijen te vervangen, verwijder je het bovenste transparante deel bovenaan de koplamp en druk stevig op het lipje achter de behuizing (gemarkeerd met PUSH). Ga voorzichtig te werk zodat de flap niet breekt. Na het verwijderen van de kap vervang je de twee coin-celbatterijen (CR2032) met betrekking tot de gespecificeerde polariteit. Bevestig het transparante onderdeel weer door het lipje in de inkeping te drukken.
- Rood achterlicht met accuwerking: De koplamp is aan de achterkant van de motor bevestigd onder het bagagerek. Om de koplamp aan of uit te zetten, druk je op de schakelaar in het midden. De koplamp heeft een automatisch uitschakelsysteem bij parkeren en een LED. De koplamp wordt gevoed door twee batterijen. Om de batterijen te vervangen, verwijder je de schroef aan de onderkant van de koplamp en verwijder je de kap. Na het verwijderen van de hoes vervang je de AAA-batterijen met betrekking tot de gespecificeerde polariteit.
Gebruikte batterijen bevatten metalen die schadelijk zijn voor het milieu, ze kunnen in onze winkels worden verzameld voor correct recycling, ze mogen niet worden weggegooid met huishoudelijk afval of in de natuur. Batterijen moeten apart worden verzameld.
Bel
Een bel is bevestigd aan het stuur. Het is op 50 meter afstand te horen. De bel is voor de veiligheid en moet op het stuur zitten.
Met een helm
Voor een veilige rit wordt het dragen van een fietshelm sterk aanbevolen. Het vermindert het risico op hoofdletsel bij een val.
| LET OP: Het dragen van een helm is verplicht voor kinderen jonger dan 14 jaar, ongeacht of ze zelf rijden of meegenomen worden. |
Snelle in gebruikstelling
WAARSCHUWING:
Lees de instructies en veiligheidsinformatie in deze handleiding zorgvuldig voordat je de elektrische fiets gebruikt. Het gaat om je veiligheid en de goede werking van je motor.
Wanneer je fiets is ingesteld, druk je op de “AAN/UIT”-knop (23) van de accu. Sta op en begin te trappen. Na twee pedaalomwentelingen schakelt de elektromotor in en levert extra aandrijving. Er is een zacht zoemend geluid te horen, dat aangeeft dat de motor aanstaat. Als je stopt met trappen, schakelt de motor uit en vertraagt de motor en stopt dan zoals een normale fiets.
Instellingen
Band
Controleer regelmatig de bandenspanning. Rijden met onvoldoende of te veel opgepompte banden kan de prestaties beïnvloeden, leiden tot voortijdige slijtage, de autonomie verminderen en het risico op ongelukken verhogen. Als een van de banden ernstige tekenen van slijtage of deuken vertoont, moet je deze vervangen voordat je de fiets gebruikt. Het door de fabrikant aanbevolen drukbereik is te vinden op het zijoppervlak van de banden en in de onderstaande tabel. De bandenspanning moet worden aangepast aan het gewicht van de gebruiker.
| Druk | ||||
| Velgmaat | Binnenband | Bandmaat | PSI | Bar |
| 20 Zoll | 20 x 1,75 | 20 x 1,75 | 30 – 65 | 2 – 4,5 |
Remmen
Zorg ervoor dat de voor- en achterremmen voor elke rit volledig functioneren. De rechtergreep activeert de achterrem. De linkerhendel activeert de voorrem. Het wordt aanbevolen om de remkracht gemiddeld 60/40 te verdelen tussen de voor- en achterremmen. De remhendel mag niet in contact komen met het stuur en de mantels mogen niet onder een strakke hoek lopen, zodat de kabels met zo min mogelijk wrijving kunnen glijden. Beschadigde, brosse of roestige kabels moeten onmiddellijk worden vervangen
| WAARSCHUWINGEN: Bij regen of vochtig weer wordt de remweg verlengd. In zulke situaties wordt aanbevolen om eerder te remmen. Bij het remmen in bochten kan het stuur de reactietijd van de rijder negatief beïnvloeden. |
V-brake afstelling
De remblokken oefenen directe druk uit op de velg. De intensiteit van de druk wordt geregeld door een hendel die met een kabel met de rem is verbonden. Bedien de remhendel niet als het wiel is losgekoppeld van het frame.
- Plaats de armen van de beugels verticaal en parallel met de juiste kabelspanning. Zodra de positie van de kabel is bepaald, draait u deze vast met de juiste schroef.
- Lijn de schaats uit met de velgzijde.

- Pas de afstand tussen de remblokken en de velg aan van 1 tot 3 mm om effectiever te remmen.
- Beweeg de achterkant van de schaats een beetje weg van het wiel.
Rijrichting

- Pas de symmetrie van de stijgbeugels aan en balanceer de terugslagveren van de linker en rechter stijgbeugels
- Een moer- en borgmoersysteem ter hoogte van de remhendel stelt u in staat om de kabeldruk en dus de remkracht aan te passen die in de loop van de tijd zal variëren afhankelijk van de slijtage van de remblokken.

Remblokken en beugels vervangen
- Freno V-rem

Schroef de pads los met een 5 mm inbussleutel.
Plaats de nieuwe pads op de juiste manier op de beugel.
Span de schaatsen vast volgens de afstelling.
Velg slijtage
Zoals elk slijtageonderdeel moet de velg regelmatig worden gecontroleerd. De velg kan verzwakken en breken, waardoor u de controle over het stuur verliest of valt.
| N.B.: het is belangrijk om de staat van slijtage van de velgen te controleren. Als het referentiepunt niet meer zichtbaar is bij een V-brake, betekent dit dat de velg het maximale slijtagepunt heeft bereikt voor veilig gebruik. Een beschadigde velg kan gevaarlijk zijn en moet worden vervangen. Stel de remblokken zo af dat er een afstand van 1-1,5 mm tot de velg wordt aangehouden. |
Afstelling van de ketting #
Uw fiets is uitgerust met een externe derailleur achteraan, de ketting wordt automatisch aangespannen.
Om de ketting te vervangen
Meestal worden nieuwe kettingen verkocht met te veel schakels. De eerste stap is ze op de goede lengte te maken. De meest veilige manier is het aantal schakels van de oude ketting te tellen zodat de nieuwe ketting op basis hiervan kan worden gemaakt. Om de oude ketting te demonteren volstaat het ze weg te nemen (een kettingnok wegnemen).
Daarna moet u de nieuwe ketting aanbrengen. U moet ze hiervoor aanbrengen rond de trapasplaat en de krans achteraan, opdat ze correct ingrijpt op de andere transmissie-onderdelen. Om de ketting te sluiten raden we aan een snelkoppeling te gebruiken. Deze werkt als vrouwelijke schakel die wordt aangebracht tussen twee mannelijke schakels. Dankzij de snelkoppeling kan de ketting ook gemakkelijker worden weggenomen om ze schoon te maken.
Om te controleren of de kettinglengte de juiste is, moet ze op het kleine tandwiel worden gelegd. In deze configuratie moet de virtuele lijn tussen de naaf van het achterwiel en de as van de onderwals van de derailleur verticaal zijn.
Vervanging van de pedalen #
Om uw pedalen te vervangen, identificeert u ze door te kijken naar de letter op het pedaal. Het rechterpedaal wordt aangeduid met “R “(Right) en het linkerpedaal met “L“ (Left). Draai het pedaal R in de richting van de wijzers van een uurwerk om het op de zwengel te bevestigen. Draai het pedaal L in de tegenovergestelde richting van de wijzers van een uurwerk.
Wiel en motor #
Na de eerste gebruiksmaand wordt aangeraden uw spaken opnieuw aan te spannen om de impact van de tractie van de motor op uw achterwiel te beperken. Tijdens het opstarten van de motor kunt u een licht geluid te horen krijgen. Dit lawaai is normaal want de motor start op en ondersteunt het trappen. Dit lawaai kan erger worden wanneer hij volop wordt gebruikt.
Bagagedrager #
Uw fiets wordt verkocht met een bagagedrager. Hij werd al bevestigd boven uw achterwiel. De bevestigingselementen moeten worden aangespannen en geregeld worden nagekeken op een koppel van 4 – 6 Nm. Uw bagagedrager werd ontworpen voor een maximale belasting van 25 kg, er kan ook een kinderstoel op worden bevestigd.
| OPGEPAST: Uw bagagedrager werd niet ontworpen om een aanhangwagen te trekken. |
Uit veiligheidsoverwegingen mag de bagage enkel op de bagagedrager worden vervoerd.
Een geladen bagagedrager beïnvloedt het gedrag van uw fiets.
Verdeel de bagage evenwichtig over de twee kanten om de stabiliteit van uw fiets te bevorderen. De bagage moet stevig aan de bagagedrager worden bevestigd. Voor elk gebruik moet worden nagekeken dat er niets loshangt en in het achterwiel van de fiets kan terechtkomen. De bagagedrager niet zomaar op goed geluk afstellen, vraag raad aan uw verdeler voor een eventuele aanpassing. Pas uw bagagedrager niet aan, elke wijziging aan de bagagedrager door de gebruiker maakt deze instructies ongeldig. De bagage mag de reflectoren en de verlichting van uw fiets niet onzichtbaar maken.
Standaard #
Voor elk gebruik moet u nagaan dat uw standaard naar boven staat.
Onderhoud #
Voor uw veiligheid, maar ook om zijn levensduur te verlengen moet uw fiets geregeld worden onderhouden. Het is belangrijk dat de mechanische onderdelen periodiek worden gecontroleerd om in voorkomend geval de versleten onderdelen of onderdelen met slijtagesporen te vervangen.
Tijdens een vervanging van onderdelen is het belangrijk dat originele stukken worden gebruikt om de prestaties en de betrouwbaarheid van de fiets te bewaren. Let erop de juiste vervangstukken te gebruiken voor de banden, de binnenbanden, de transmissie-onderdelen en de verschillende elementen van het remsysteem.
Het is de verantwoordelijkheid van de gebruiker om verschillende delen van de originele onderdelen te gebruiken.
| WAARSCHUWINGEN: Verwijder altijd de batterij voor een onderhoudsbeurt. |
Schoonmaak #
Om de corrosie van de fiets te vermijden is het nodig uw fiets geregeld met zacht water af te spoelen, vooral wanneer hij werd blootgesteld aan zeelucht.
De schoonmaak moet gebeuren met een spons, een bakje lauw zeepsop en een waterstraal (niet onder druk).
| AANBEVELING: Let er speciaal op dat u geen hogedrukreiniger gebruikt. |
Smering #
De verschillende bewegende onderdelen smeren is essentieel om corrosie te vermijden. Olie geregeld de ketting, borstel de kransen en de bladen, breng periodiek een paar oliedruppels aan op de kabelkokers van de remmen en de derailleur.
Het is aan te raden eerst de te smeren elementen schoon te maken en te laten drogen.
Het is aan te raden een speciale olie te gebruiken om de ketting en de derailleur te smeren. Voor de andere onderdelen moet u een vet gebruiken.
Geregelde controles #
Het aandraaien van de bouten: greep, commandeur, pedalen, stuurpen.
De toe te passen aanspankoppels zijn de volgende:
| ONDERDELEN | VOORGESCHREVEN KOPPEL (Nm) | BIJZONDERE VOORSCHRIFTEN |
| Pedalen op cranks | 30 – 40 | De schroefdraden smeren |
| Crank op kast | 30 – 40 | De schroefdraden smeren |
| Aanspannen van stuurpen /bocht | Automatisch aanspannen | |
| Helling stuurpen | Automatisch aanspannen | |
| Aanspanning stuurinrichting | 14 – 15 | Plunjer (stuurpen) |
| Remgreep | 6 – 8 | |
| Remschoenen | 6 – 8 | |
| Zadel op slede | 18 – 20 | |
| Zadelpenklem | Snelspanner | |
| Wiel | 30 |
De andere aanspankoppels hangen af van de afmetingen van de moeren: M4: 2,5 tot 4.0 Nm, M5: 4.0 tot 6.0 Nm, M6: 6.0 tot 7.5 Nm. Span de schroeven aan volgens het vereiste koppel.
Controleer geregeld de banden en meer bepaald de staat van de vertanding van de achterband: slijtage, sneden, scheuren, doorboringen. Vervang het wiel indien nodig. Controleer de velgen en overmatige slijtage, vervormingen, sneden, scheuren, enz.
Revisies #
Om de veiligheid te verzekeren en de onderdelen in goede staat van werking te houden moet u uw e-bike geregeld door uw verkoper laten nakijken. Bovendien moet het onderhoud van uw fiets geregeld door een gekwalificeerde technieker gebeuren.
Eerste revisie: 1 maand of 150 km
- Nazicht van het vastzitten van de elementen: commandeur, wiel, stuurpen, pedalen, stuurbocht, zadelpen
- Nazicht van de werking van de elektrische ondersteuning,
- Nazicht en regeling van de remmen,
- Spanning en/of uitlijnen van de wielen.
Elk jaar of 2000 km:
- Nazicht van de slijtageniveaus (remschoenen, transmissie, banden),
- Nazicht van de werking van de elektrische ondersteuning,
- Controle van de lagers (bracket, wielen, stuurinrichting, pedalen),
- Controle van de kabels (remmen, derailleur),
- Nazicht van de verlichting,
- Spanning en/of uitlijnen van de wielen.
Om de 3 jaar of 6000 km:
- Nazicht van het slijtageniveau (transmissie, banden)
- Controle van de lagers (crank case, wielen, directie, pedalen)
- Controle van de kabels (remmen, derailleur, ophanging)
- Vervanging van de transmissie (ketting, vrijloop, kettingblad),
- Nazicht van de werking van de elektrische ondersteuning,
- Vervanging van de banden,
- Controle van de slijtage van de wielen (spaken, velg),
- Spanning van de spaken en/of uitlijnen van de wielen,
- Vervanging van de remblokken,
- Controle van de werking van de elektrische ondersteuning.
- Controle van de elektrische functies.
Ondersteuning van het trappen en batterij #
De gebruiker moet de crank set naar voor draaien om te genieten van de gemotoriseerde ondersteuning. Het gaat om een belangrijk veiligheidsaspect. Deze e-bike levert een gemotoriseerde bijstand tot een snelheid van 25 km/h. Hierboven zal de motor stilvallen. U kunt sneller rijden, maar u moet dit doen met eigen inspanning, zonder elektrische assistentie.
De motor zal niet werken zolang de crank set geen volledige omwenteling gemaakt heeft. Deze functionaliteit beschermt de motor en zijn controller en verlengt de levensduur van de elektrische onderdelen.
Ondersteuning bij het trappen #
Om de fiets te starten bedient u de hoofdschakelaar aan de kant van de batterij ON/OFF.
Alle andere afstellingen en informatie gebeurt rechtstreeks op het stuurscherm.
| Aanbeveling: Let erop dat u de hoofdschakelaar op de batterij uitschakelt wanneer u niet op het zadel zit. Dit spaart de batterij. |
#
Accu #
Aflezen van de accu laadstand #

Om het batterijniveau te vinden, druk je één keer op de laadknop bovenop de accu onder het zadel. De leds lichten op om het laadniveau aan te geven en gaan na 4 seconden uit. Wanneer ze allemaal oplichten, wordt de maximale lading bereikt. Wanneer de laatste LED knippert, moet de accu direct worden opgeladen voordat de motor wordt gebruikt.
| DISPLAY | LAADNIVEAU |
| 4 LEDs verlicht | 100 % |
| 3 LEDs verlicht | 75 % |
| 2 LEDs verlicht | 50 % |
| 1 LED (rood) verlicht | 25 % |
| 1 LED (rood) knippert | De accu is leeg en moet zo snel mogelijk opgeladen worden. |
Gebruik van de lader #
Alvorens de batterij te laden vragen wij de gebruikershandleiding en de laadhandleiding te lezen indien u ze samen met uw fiets hebt gekregen. Gelieve eveneens nota te nemen van de punten met betrekking tot de batterijlader:
- Respecteer de instructies op het etiket van de batterijlader.
- Gebruik de lader niet in de nabijheid van explosieve gassen of corrosieve bestanddelen.
- Schud de lader niet, doe hem geen schokken ondergaan en vermijd dat hij valt.
- Bescherm de lader altijd tegen regen en vocht, en gebruik hem binnen.
- Deze lader kan een temperatuur van 0 tot +40 °C aan.
- De lader mag niet worden gedemonteerd, In geval van een probleem geeft u het toestel aan een gekwalificeerde hersteller.
- Om schade te voorkomen mag u enkel de lader geleverd met uw elektrische fiets gebruiken. Merk op dat het niet-naleven van deze verplichting de garantie zal doen vervallen.
- Tijdens het laden moeten de batterij en de lader minstens 10 cm van de muur verwijderd zijn en moet dit in een droge en geventileerde plaats gebeuren. Plaats tijdens het gebruik niets in de onmiddellijke omgeving van de lader.
- Raak de lader niet te lang aan tijdens het laden (risico op lichte brandwonden).
- Zet de lader niet instabiel.
- Bedek de lader niet om oververhitting tijdens het laden te vermijden.
- Dompel het product niet onder.
- Vermijd elk contact met water tijdens het opladen van de batterij. Raak de lader niet aan met vochtige handen.
- Gebruik geen lader met een beschadigde voedingskabel of fiches. Ga na dat de lader correct verbonden is met de voeding om op te laden.
- De laderklemmen niet kortsluiten met een metalen voorwerp.
- De voeding afkoppelen vooraleer de aansluitingen op de batterij aan- of af te koppelen.
- De lader werd ontworpen om lithiumbatterijen te laden, een verkeerd batterijtype niet laden. Niet gebruiken bij een niet-opnieuw laadbare batterij.
- Dit toestel kan worden gebruikt door kinderen vanaf 8 jaar en door mensen met een lichamelijke, zintuiglijke of verstandelijke vermogens of gebrek aan ervaring of kennis, indien ze goed worden bewaakt of de instructies voor het gebruik van het apparatuur worden gegeven en als de risico’s werden aangepakt. Kinderen mogen niet met het apparaat spelen. De schoonmaak en het onderhoud door de gebruiker mag niet worden gemaakt door kinderen zonder toezicht.
- Het is aangeraden om kinderen in het oogl te houden om te vermijden dat ze spelen met het toestel.
- Buiten het bereik van kinderen houden, dit voorwerp is geen speelgoed.
- De soepele externe kabel van dit product mag niet worden vervangen; na beschadiging van de kabel moet het product worden geloosd.
- Op zijn levenseind brengt u het product naar een recyclingcenter.
Laadprocedure #
Wanneer er een stopcontact in de buurt van uw fiets aanwezig is, kunt u de batterij rechtstreeks op de fiets opladen zonder ze te verwijderen. De laadstekker is afgedekt met een plastic kap. U hoeft deze enkel te openen om de batterij rechtstreeks op te laden.
De batterij verwijderen kan nuttig zijn op plaatsen waar uw fiets niet terechtkan of wanneer er geen stopcontact in de buurt is.
| AANBEVELING: De batterij moet binnen in een geventileerde ruimte worden opgeladen. |
Gelieve de fietsbatterij volgens de volgende procedure te laden:
- De batterij kan worden geladen door gebruik te maken van een standaard stopcontact. De schakelaar moet niet worden bediend.
- Steek de laderstekker in de batterij en koppel de voedingskabel van de lader aan op een stekker in de nabijheid.
- Tijdens het laden zal de led van de lader rood branden als getuige van de goede werking. Wanneer hij groen wordt, betekent dit dat de batterij is opgeladen.
- Om het laden te beëindigen moet u het stopcontact en daarna de stekker van de batterij afkoppelen. Sluit tot slot de kap van de batterijstekker.
Autonomie van uw batterij #
Deze fiets met elektrische ondersteuning is uitgerust met een hoogwaardige Li-ionbatterij. De Li-ionbatterijen hebben een lading die geen effect heeft op het geheugen en een groot tolerantiebereik van de temperatuur gaande van -10 tot +40 °C.
Voor een maximale levensduur van de batterij en om ze te beschermen tegen beschadigingen gelieve onderstaande gebruiks- en onderhoudsinstructies op te volgen.
Autonomie van uw batterij #
Na het laden van uw batterij wordt aangeraden ze 20 tot 30 minuten te laten rusten voordat u ze gebruikt.
De autonomie van uw batterij hangt af van verschillende gebruiksfactoren:
- De keuze van de ondersteuningsmodus
- Het gewicht van de gebruiker
- De hellingsgraad van de weg
- Het oppompen van de banden
- De wind
- De geleverde trapinspanning
- De start- en stopfrequentie
- De buitentemperatuur
Voorzichtigheid, voorzorgen #
Het is aan te raden de batterijen op geregelde wijze, of na elk gebruik te laden. Er is geen effect op het geheugen van deze batterijen. Om de levensduur van uw batterij te maximaliseren, wordt aangeraden:
- Warme plekken te vermijden (ideale laadtemperatuur is 20°C)
- De batterij gedurende 30 minuten na het gebruik van de fiets af te laten koelen
| Gebruiksvoorzorgen: Gebruik de batterij enkel voor deze fiets. Gebruik enkel de specifieke lader die werd meegeleverd om de batterij op te laden. Laad de batterij enkel op in een goed verluchte ruimte. Stel de batterij niet bloot aan warmte of laad ze niet in volle zon. Demonteer of wijzig de kast en de in de kast ingebouwde batterij niet. Verbind de aansluitingen (+) en (-) van de batterijen niet met een metalen voorwerp. Stel de batterij niet bloot aan vloeistoffen. Gebruik geen beschadigde batterij. Laad de batterij niet verder op wanneer de oplading niet volledig is na verloop van de theoretische laadtijd. De batterij niet gebruiken wanneer ze abnormaal ruikt, opwarmt of indien er zich iets abnormaals voordoet. De batterij niet binnen het bereik van kinderen houden. Laad uw batterij op voordat u ze langdurig opbergt en doe dit ook na de opslag. |
Levensduur van de batterijen #
| De batterijen kunnen minder presteren nadat ze een groot aantal keren werden opgeladen. Dit zal afhangen van de gebruiksgewoonten van de e-bike. U kunt uw gebruikte batterijen deponeren in uw winkel of in gespecialiseerde recyclepunten. Gooi vooral niet uw batterij op het einde van zijn levensduur in de natuur. |
Onderhoud van de batterij #
Om een maximale levensduur aan de batterij te geven en ze tegen beschadiging te beschermen, vragen wij u onderstaande gebruiks- en onderhoudsinstructies op te volgen:
Wanneer u merkt dat de lading tot 10% daalt, moet de batterij snel opnieuw geladen worden.
| AANBEVELING: Wanneer de fiets niet frequent tijdens een bepaalde periode werd gebruikt, moet de batterij elke maand worden geladen. De batterijkast moet worden bewaard in een droge plaats op een temperatuur tussen 5 en 35°C. | |
| WAARSCHUWING: De levensduur van de batterij kan worden beperkt indien ze voor lange tijd wordt opgeslagen en niet geregeld wordt geladen zoals hierboven vermeld. Gebruik geen metaal om de twee batterijpolen te verbinden, want dit kan een kortsluiting veroorzaken. Plaats de batterij nooit in de buurt van een schouw of een andere warmtebron. Schud de batterij niet, doe ze geen schokken ondergaan en vermijd dat ze valt. Wanneer de batterij van de fiets gehaald is, houdt u ze buiten het bereik van kinderen om ongevallen te vermijden. Het is verboden de batterij te openen. |
Gebruik en onderhoud van de elektrische motor #
Onze fietsen met elektrische ondersteuning zijn geprogrammeerd om de elektrische ondersteuning te starten na een halve draai van de crank set.
Gebruik de fiets niet in overstroomde gebieden of bij een onweer. Dompel de elektrische onderdelen niet onder in water om hun beschadiging te vermijden.
Vermijd schokken van de motor om hem niet te beschadigen.
Onderhoud van de controller #
Het is erg belangrijk voor de controller te zorgen met aandacht voor de volgende instructies:
- Bescherm de controller tegen waterinsijpeling en -onderdompeling.
Nota: Wanneer u denkt dat er water in de kast is doorgesijpeld, gelieve dan de batterij onmiddellijk uit te schakelen en verder te rijden zonder ondersteuning. U kunt deze opnieuw starten van zodra de controller droog is.
- Schud niet met de controller, doe ze geen schokken ondergaan en vermijd dat hij valt.
| WAARSCHUWING: Open de kast van de controller niet. Elke poging om de controllerkast te openen, te wijzigen of aan te passen zal leiden tot de annulering van de garantie. Gelieve uw verdeler of uw gekwalificeerde professional te vragen de herstellingen uit te voeren. Elke wijziging aan de parameters van het elektrische beheerssysteem, in het bijzonder de wijziging van de snelheidsbeperking, zijn formeel verboden en leiden tot de annulering van de garantie van uw fiets. |
#
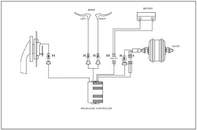
Bedradingschema’s en specificaties
Wij behouden ons het recht voor het product zonder kennisgeving te wijzigen. Neem contact op met je dealer voor meer informatie.

Voornaamste technische fiche #
| Maximumgewicht: Gebruiker + Lading + Fiets | 100 kg | |
| Maximale snelheid met ondersteuning | 25 km/h | |
| Autonomie * | 20 a 30 km | |
| Motorisering | Vermogen max | 250 W |
| Spanning | 24V | |
| Bruit maximaal à l’utilisation | < 70 dB | |
| Batterij | Type | Lithium |
| Spanning | 24V | |
| Capaciteit | 7,8 Ah | |
| Gewicht | 2,5 kg | |
| Oplaadtijd | 6-8 h | |
| Aantal cycli (≥70% capaciteit) | 500 cycli | |
| Lader | Eingangsspannung | 100-240V |
| Ausgangsspannung | 24V | |
| Totaalgewicht van de fiets | 21,7 kg | |
DIENST NA VERKOOP #
Slijtstukken #
De verschillende slijtstukken zijn standaardelementen. De versleten en/of te vervangen stukken altijd vervangen door identieke onderdelen die te koop zijn in de handel of bij uw verdeler.
Oplossing van de basisproblemen #
Probeer geen toegang te krijgen tot een elektrisch onderdeel of het zelf te herstellen. Contacteer de dichtstbijzijnde specialist voor een onderhoud door een gekwalificeerde persoon.
Onderstaande informatie is enkel een uitleg en is geen instructie om de gebruiker te helpen bij de herstellingen. Elke vermelde oplossing moet worden uitgevoerd door een gekwalificeerde professional die zich bewust is van en vertrouwd is met het elektrische onderhoud.
| Beschrijving van het probleem | Mogelijke oorzaken | Oplossing |
| Na het inschakelen van de batterij ondersteunt de motor het trappen niet. | 1) de motorkabel (waterdichte aansluiting) is verkeerd aangesloten. 2) de remgreep is niet correct naar de normale positie teruggekeerd, hetgeen de uitschakeling van de schakelaar forceert. 3) de batterijzekering is gesprongen 4) de snelheidssensor is te ver verwijderd van de magneetschijf op de B.B.-as 5) de verbinding tussen de sensor en de controller werd niet gemaakt of geeft een foutief contact. | Ga eerst en vooral na of de batterij geladen is. Indien dit niet het geval is, laad haar op. 1) ga na of de aansluiting goed werd gemaakt, zonder dat er speling is 2) zet de remgreep in haar normale positie zonder te remmen 3) open de bovenkant van het batterijblok en kijk de staat van de zekering na. Indien ze gesprongen is, contacteert u uw detailhandelaar of een erkend professional voor een vervanging 4) stel de afstand tussen de sensor en de magneetband af zodat ze niet groter dan 3 mm is 5) zorg ervoor dat de controller en de sensor goed verbonden zijn. |
| De autonomie van de batterij wordt korter (nota: de batterijprestaties worden rechtstreeks beïnvloed door het gewicht van de gebruiker, van de bagage, de windkracht, het straattype het constant remmen). | 1) de laadtijd is onvoldoende 2) de omgevingstemperatuur is te laag en beïnvloedt de werking van de batterij 3) frequente zijwind en kopwind en straten in slechte staat 4) de banden zijn onvoldoende opgepompt (pomp ze opnieuw op) 5)frequent starten en stoppen 6) de batterij werd lange tijd ongeladen opgeslagen. | 1) laad de batterij op conform de instructies (Hoofdstuk 7.3) 2) in de winter of bij temperaturen lager dan 0 ° moet uw batterij binnen worden bewaard 3) het is een normale oorzaak en het probleem zal zich oplossen wanneer de omstandigheden verbeteren 4) pomp de banden op tot een druk van 3,1 bar 5) het probleem zal zich oplossen wanneer de gebruiksvoorwaarden verbeteren 6) laad geregeld op conform de gebruikshandleiding. Indien dit het probleem niet oplost, contacteert u uw detailhandelaar of gekwalificeerde professional. |
| Na de inschakeling van de lader gaan de laadleds niet branden. | 1) probleem met de elektriciteitsstekker 2) vals contact tussen de ingangsstekker van de lader en de elektriciteitsstekker 3) de temperatuur is te laag. | 1) inspecteer de elektriciteitsstekker en repareer ze 2) inspecteer de stekker en steek ze helemaal in 3) voer de lading binnen uit. Wanneer vorige oplossingen geen effect hebben, contacteert u uw detailhandelaar of gekwalificeerde professional. |
| Na het opladen van meer dan 4/5 uur is het led laadverklikkerlampje nog rood (nota: het is erg belangrijk de batterij te herladen met naleving van de instructies om te vermijden dat het materieel wordt beschadigd). | 1) de omgevingstemperatuur bedraagt 40 °C of meer 2) de omgevingstemperatuur bedraagt 0 °C of minder 3) de fiets werd niet opgeladen na gebruik, hetgeen het ontladen bevordert 4) de uitgangsspanning is te laag om de batterij te kunnen herladen. | 1) herlaad de batterij bij een omgevingstemperatuur onder de 40°C en conform de instructies 2) herlaad de batterij binnen en conform de instructies 3) onderhoud correct de batterij om een te snelle ontlading te vermijden 4) voer het laden niet uit bij een spanning lager dan 100 V. Wanneer vorige oplossingen geen enkel effect hebben, contacteert u uw detailhandelaar of gekwalificeerde professional. |
Oplossing van de problemen verbonden aan de lader:
- De rode lamp werkt niet tijdens het laden: ga na of de connectoren correct aangesloten zijn. Ga na of de normale spanning werd overschreden, indien dit het geval is gelieve de herstelling van de lader na te kijken. Indien wat voorafgaat correct is, is de batterij met zekerheid defect.
- De rode lamp wordt niet groen: schakel de voeding uit, na 5 seconden sluit u de elektriciteit opnieuw aan, het opladen kan verder gebeuren. De batterij kan niet verder geladen worden, dan is de batterij met zekerheid defect.
- De rode lamp wordt onmiddellijk groen: ga na of de batterij volledig geladen is. Indien ze het niet is, zijn de batterij of de lader defect.
Schrijf hier het framenummer, het nummer van het slot en alle andere nuttige kenmerken van de fiets. De fabrikant en de verkoper houden geen bestand bij van deze nummers. Ze komen van pas voor de verzekering en in geval van onverhoopte diefstal van de fiets.
Verklaring van overeenstemming CE
De fabrikant: DENVER S.r.l. – VIA PRIMO MAGGIO, N. 32 – 12025 DRONERO (CN) – ITALIA
Naar behoren gemachtigd om het technisch dossier samen te stellen en deze verklaring op te stellen, verklaart dat het hieronder vermelde product:
- Identificatie: E-1000 RM 20”
- Type: elektrisch ondersteunde fiets
- Markering: E-1000 RM 20” VILLETTE
- Achtermotor: 24V – 250W max.
- Batterij: 24V – 7,8 Ah lithium-ioncellen
Het voldoet als volgt aan alle door de Europese Unie geharmoniseerde voorschriften:
- Machinerichtlijn 2006/42/EG
- Norm EN15194:2017
- Richtlijn 2014/35/EU betreffende de harmonisatie van de wetgevingen van de lidstaten met betrekking tot het op de markt aanbieden van elektrisch materiaal bestemd voor gebruik binnen bepaalde spanningsgrenzen.
- Richtlijn 2014/30/EU betreffende de harmonisatie van de wetten van de lidstaten met betrekking tot elektromagnetische compatibiliteit.
- Richtlijn 2011/65/EU betreffende de beperking van het gebruik van bepaalde gevaarlijke stoffen in elektrische en elektronische apparatuur.
- Richtlijn 2006/66/EG betreffende batterijen en accu’s en betreffende afgedankte batterijen en accu’s.
Verklaring van identiteit
vs, leverancier / exporteur: DENVER S.r.l. – VIA PRIMO MAGGIO, N. 32 – 12025 DRONERO (CN) – ITALIA verklaart dat het aangeduide product E-1000 RM 20” exact hetzelfde model is dat wordt gedistribueerd onder de merknaam “VILLETTE”.

